Automatismos

Este proyecto fué realizado expresamente para suplir la necesidad de un amigo de la infancia y que fué presentado como proyecto universitario
Se trata de una placa que controla la activación de dos bombas de agua para el llenado de depositos elevados. La lógica cargada, toma la decisión de activar o detener las bombas por medio de unos sensores que detectan la presencia o ausencia de agua en unos puntos específicos de los depósitos
Puede descargar el documento detallado de la realización del proyecto pulsando aquí.

La placa implementa los siguientes elementos:
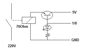
Fuente de alimentación regulada. Toma 220V AC y los reduce a 5V DC para la alimentación del resto de elementos del sistema

Tres sensores de presencia de agua. La placa dispone de tres pares de pines en los que se conectan las correspondientes sondas que serán sumergidas en el lugar deseado

Una pareja de reles de 5V. A estos se conectarán las bombas de agua que funcionan directamente a 220V AC.

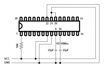
Un micro controlador Atmel Atmega328-P con su correspondiente oscilador a 16 Mhz. El Atmega contiene la lógica que gobierna el sistema tomando decisiones
